



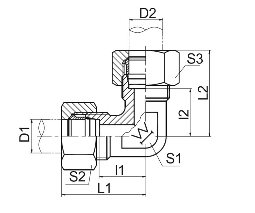
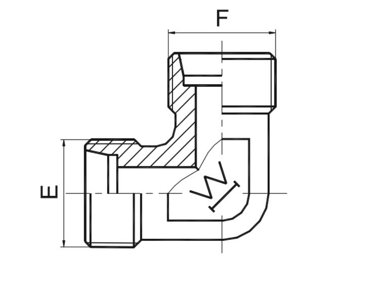
1C9/1D9 90 °彎接頭

| 系列 | 代號 PART NO. |
螺紋 THREAD | 管子外徑 TUBE O.D | 尺寸 DIMENSIONS | 重量 克/件 |
工作壓力 (bar) | |||||
|---|---|---|---|---|---|---|---|---|---|---|---|
| E | F | D1、D2 | L1、L2 | L3、L4 | l1、l2 | S1 | S2、S3 | ||||
|
L
|
1C9-12
|
M12X1.5
|
M12X1.5
|
06
|
19
|
27
|
12
|
12
|
14
|
29
|
500
|
|
1C9-14
|
M14X1.5
|
M14X1.5
|
08
|
21
|
29
|
14
|
12
|
17
|
43
|
500
|
|
|
1C9-16
|
M16X1.5
|
M16X1.5
|
10
|
22
|
30
|
15
|
14
|
19
|
54
|
500
|
|
|
1C9-18
|
M18X1.5
|
M18X1.5
|
12
|
24
|
32
|
17
|
17
|
22
|
80
|
400
|
|
|
1C9-22
|
M22X1.5
|
M22X1.5
|
15
|
28
|
36
|
21
|
19
|
27
|
81
|
400
|
|
|
1C9-26
|
M26X1.5
|
M26X1.5
|
18
|
31
|
40
|
23.5
|
24
|
32
|
140
|
400
|
|
|
1C9-30
|
M30X2
|
M30X2
|
22
|
35
|
44
|
27.5
|
27
|
36
|
178
|
250
|
|
|
1C9-36
|
M36X2
|
M36X2
|
28
|
38
|
47
|
30.5
|
36
|
41
|
340
|
250
|
|
|
1C9-45
|
M45X2
|
M45X2
|
35
|
45
|
56
|
34.5
|
41
|
50
|
458
|
250
|
|
|
1C9-52
|
M52X2
|
M52X2
|
42
|
51
|
63
|
40
|
50
|
60
|
776
|
250
|
|
|
S
|
1D9-14
|
M14X1.5
|
M14X1.5
|
06
|
23
|
31
|
16
|
12
|
17
|
52
|
800
|
|
1D9-16
|
M16X1.5
|
M16X1.5
|
08
|
24
|
32
|
17
|
14
|
19
|
74
|
800
|
|
|
1D9-18
|
M18X1.5
|
M18X1.5
|
10
|
25
|
34
|
17.5
|
17
|
22
|
97
|
800
|
|
|
1D9-20
|
M20X1.5
|
M20X1.5
|
12
|
29
|
38
|
21.5
|
17
|
24
|
137
|
630
|
|
|
1D9-22
|
M22X1.5
|
M22X1.5
|
14
|
30
|
40
|
22
|
19
|
27
|
145
|
630
|
|
|
1D9-24
|
M24X2
|
M24X2
|
16
|
33
|
43
|
24.5
|
24
|
30
|
162
|
630
|
|
|
1D9-30
|
M30X2
|
M30X2
|
20
|
37
|
48
|
26.5
|
27
|
36
|
221
|
420
|
|
|
1D9-36
|
M36X2
|
M36X2
|
25
|
42
|
54
|
30
|
36
|
46
|
424
|
420
|
|
|
1D9-42
|
M42X2
|
M42X2
|
30
|
49
|
62
|
35.5
|
41
|
50
|
603
|
420
|
|
|
1D9-52
|
M52X2
|
M52X2
|
38
|
57
|
72
|
41
|
50
|
60
|
1010
|
420
|
|
注:如需帶卡套及卡套螺母整套訂貨,則請在代號后加“RN”,如1C9-30/RN。
Note: In case if you are interested to order the adapter in complete set with cutting ring and nut ,it is necessary to insert suffix "RN" after our part NO,for example1C9-30/RN.